Loading...

Tentang Water Quality Monitoring System (Sparing)

Water Quality Monitoring System

Sebuah System Pemantauan Kualitas Air Limbah secara Terus Menerus dan Dalam Jaringan (SPARING), adalah sistem yang digunakan untuk memantau, mencatat, dan melaporkan kegiatan pengukuran kadar suatu parameter dan/atau debit air limbah secara otomatik, terus menerus, dan dalam jaringan.

Sumber : PERATURAN MENTERI LINGKUNGAN HIDUP DAN KEHUTANAN REPUBLIK INDONESIA NOMOR P.93/MENLHK/SETJEN/KUM.1/8/2018 (Pasal 1 Poin 2) PERMENLHK P.80/MENLHK/SETJENKUM.1/10/2019

Dasar Hukum :

1. Peraturan Menteri Lingkungan Hidup dan Kehutanan Republik Indonesia Nomor P.93/MENLKHK/SETJEN/KUM.1/8/2018.

2. Peraturan Menteri Lingkungan Hidup dan Kehutanan Republik Indonesia Nomor P.80/MENLKHK/SETJEN/KUM.1/10/2019.

RTU (Remote Terminal unit)

RTU adalah suatu alat untuk memonitor segala aktivitas Substantion, menerima data mengolah/memproses data dan menyajikan data sesuai dengan arahan.

Fungsi RTU pada SPARING :
1. Menerima data dari hasil pengukuran sensor
2. Mengolah / proses data hasil pengukuran sensor
3. Mengirim data hasil pengukuran dalam waktu tertentu ke server klhk dan penyimpanan internal
4. Menampilkan data hasil pengukuran

Aplikasi Dashboard Chemsparing

Aplikasi dashboard Chemsparing adalah aplikasi yang dibuat untuk mengolah data. Aplikasi ini digunakan juga untuk memantau hasil pengukuran sensor dari jarak jauh.

  • Terdapat laporan bulanan dan harian
  • File laporan diunduh dalam bentuk format excel
  • Terdapat grafik untuk melihat penurunan dan kenaikan besarnya nilai masing-masing parameter
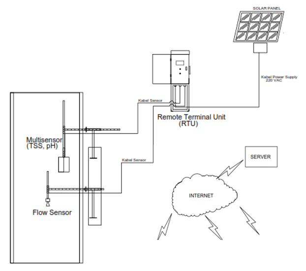
  • Skema Sparing

  • Multisensor melakukan pembacaan parameter pada kolam penampungan atau bak kontrol.
  • Flow sensor melakukan pembacaan debit air mengalir baik di pipa maupun aliran sungai pembuangan limbah.
  • Hasil pembacaan sensor akan diterima oleh RTU yang sudah terhubung internet, diolah, dan ditampilkan pada display RTU.


  • Notes : RTU menerima daya listrik dari power supply maupun solar panel

    Komponen WQMS

    Bagian komponen dari WQMS (Water Quality Monitoring Systems)

    Image

    TTFM 6.1

    Alat pengukur aliran Transit-Time Flow Meter (TTFM 6.1) ideal untuk berbagai jenis cairan, mudah dipilih, digunakan, dan dirawat, serta memberikan bantuan teknis yang mudah diakses.
    Image

    dBMACH3

    dBMACH3 dirancang khusus untuk aplikasi aliran saluran terbuka.
    Image

    Microflow-i

    MicroFlow-i adalah solusi pengukuran kecepatan non-kontak dengan daya sangat rendah yang cocok untuk titik akses jaringan saluran pembuangan yang sulit dijangkau
    Image

    Multiparameter Water Quality Sonde

    Semua sensor digital, mendukung RS485 dan modbus RTU, semua kalibrasi parameter disimpan di setiap sensor.
    Image

    UV254 5-beams COD Sensor with wiper

    Sensor berbasis optik dengan teknologi absorpsi dan transmisivitas dengan LED UV dan PD.
    Image

    Sensor Pengukur Parameter TSS (Total Suspended Solid)

    TSS merupakan padatan tersuspensi total dalam air yang dapat berupa pasir, lumpur, tanah liat, ganggang, mikroorganisme, dan bahan organik lainnya.
    Image

    Sensor Pengukur Parameter NH3 & PH

    Merupakan tingkat keasaman atau kebasaan suatu larutan. Nilai 7 sebagai titik netral. Larutan dengan pH di bawah 7 bersifat asam, sedangkan larutan dengan pH di atas 7 bersifat basa. Sedangkan, pengukuran NH3 (Amonia) dalam WQMS mengacu pada proses pemantauan konsentrasi amonia dalam air secara real-time atau berkala.

    Water Quality Parameters

    COD

    Chemical Oxygen Demand

    Ukuran jumlah oksigen yang diperlukan untuk mengoksidasi bahan organik dan anorganik dalam air. Ini mencerminkan tingkat polusi organik di dalam air, dengan nilai COD yang tinggi menunjukkan adanya sejumlah besar bahan organik yang dapat menyebabkan penurunan kualitas air dan kondisi anoksik yang berbahaya bagi organisme akuatik.

    Debit

    Debit

    Mengukur volume air yang mengalir melalui suatu titik tertentu dalam satuan waktu, biasanya dalam meter kubik per detik (m³/s). Informasi tentang debit penting untuk mengelola sumber daya air, merancang infrastruktur, dan memprediksi dampak dari perubahan lingkungan seperti banjir atau kekeringan.

    TSS

    Total Suspended Solid

    Mengukur partikel padat tersuspensi dalam air, yang dapat berasal dari sedimen, limbah industri, atau organik. Tingkat TSS yang tinggi dapat mengurangi penetrasi cahaya, mengganggu fotosintesis, dan merusak habitat ikan serta organisme lainnya.

    PH

    Potential Hydrogen

    Mengukur tingkat keasaman atau kebasaan air pada skala 0 hingga 14, di mana nilai 7 dianggap netral. Air dengan pH di bawah 7 bersifat asam dan di atas 7 bersifat basa. pH yang tidak sesuai dengan kisaran normal (biasanya 6.5-8.5 untuk air tawar) dapat membahayakan kehidupan akuatik dan mempengaruhi reaksi kimia dalam air.

    NH3-N

    Amoniak sebagai Nitrogen

    Senyawa nitrogen yang dapat ditemukan dalam air akibat limbah domestik dan industri, serta proses dekomposisi bahan organik. Amonia dalam jumlah tinggi bersifat toksik bagi ikan dan kehidupan akuatik lainnya, dan dapat menyebabkan eutrofikasi yang merusak ekosistem air.

    Contact Us

    Head Office : Cibinong, Bogor, Jawa Barat Indonesia